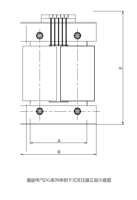
|
额定容量(KVA)
|
10
|
|
B(mm)
|
380
|
|
D(mm)
|
280
|
|
E(mm)
|
175
|
|
A(mm)
|
240
|
|
C(mm)
|
240
|
*标注尺寸参考左图图纸
*产品尺寸仅供参考,可依据客户需求设计生产不同规格型号的单相干式变压器。其它常规型号如下: 5KVA;6KVA;8KVA;10KVA单相干式变压器;15KVA;20KVA;25KVA单相干式变压器;30KVA;40KVA;50KVA单相干式变压器;
|
单相干式变压器型号
|
额定容量(KVA)
|
|
DG-5
|
5KVA
|
|
DG-6
|
6KVA
|
|
DG-8
|
8KVA
|
|
DG-10
|
10KVA
|
|
DG-15
|
15KVA
|
|
DG-20
|
20KVA
|
|
DG-30
|
30KVA
|
|
DG-40
|
40KVA
|
|
DG-50
|
50KVA
|
*标注尺寸参考左图图纸
*产品尺寸仅供参考,可依据客户需求设计生产不同规格型号的单相干式变压器。
单相干式变压器执行标准:
GB 6450-1986,
GB 1094-1996,
IEC 726,
GB/T 10228-1997,
GB/T 17211-1998,
GB 10237-1998,
GB 19212.3-2006,
JB/T8750-1998
单相干式变压器分类
单相干式变压器即一次绕组和二次绕组均为单相绕组的变压器。单极性开关电源,指输出为单极性,也就是只有正极、负极输出,相对于双极性开关电源说的,双极性开关电源有三条输出,分为正电源、负电源、地线。
单相变压器结构简单、体积小、损耗低,主要是铁损小,适宜在负荷密度较小的低压配电网中应用和推广。苏州市就累计使用1000多台,节电45GWh,经验值得推广。有的资料显示单相变压器在发达国家得到广泛应用,例如美国、日本,单相供电制成为居民供电的主要方式,在这种宣传下,有些人因此而认为单相供电具有“降损”的魔力,认为单相变压器比三相变压器更节能,认为单相供电制比三相供电制更优越。其实不然,单相变压器与单相供电制只是当前三相供电制的补充形式,由于其自身特性的约束,它只能应用于某些特定的领域。
10kV干式变压器主要作用是改变电压以便于传输电力。在同一条线上,传输相同的功率。升压变压器升压后,线路传输的电流减小,可减少线路损耗,提高输电经济性,达到远距离输电的目的,同时降压电压降低可以满足各级用户的电压需求。
单相干式变压器工作原理
正确的是单相干式变压器是一次绕组和二次绕组均为单相绕组的变压器,其工作原理如下:
当一个正弦交流电压U1加在初级线圈两端时,导线中就有交变电流I1并产生交变磁通ф1,它沿着铁芯穿过初级线圈和次级线圈形成闭合的磁路。在次级线圈中感应出互感电势U2,同时ф1也会在初级线圈上感应出一个自感电势E1,E1的方向与所加电压U1方向相反而幅度相近,从而限制了I1的大小。为了保持磁通ф1的存在就需要有一定的电能消耗,并且变压器本身也有一定的损耗,尽管此时次级没接负载,初级线圈中仍有一定的电流,这个电流我们称为“空载电流”。
如果次级接上负载,次级线圈就产生电流I2,并因此而产生磁通ф2,ф2的方向与ф1相反,起了互相抵消的作用,使铁芯中总的磁通量有所减少,从而使初级自感电压E1减少,其结果使I1增大,可见初级电流与次级负载有密切关系。当次级负载电流加大时I1增加,ф1也增加,并且ф1增加部分正好补充了被ф2所抵消的那部分磁通,以保持铁芯里总磁通量不变。如果不考虑变压器的损耗,可以认为一个理想的变压器次级负载消耗的功率也就是初级从电源取得的电功率。变压器能根据需要通过改变次级线圈的圈数而改变次级电压,但是不能改变允许负载消耗的功率。
说得简单一点就是把电能转换为磁能,再将磁能转换为电能输出电压为相对电压,只是两线之间有电压,对地没有电压,也称为安全电压。
DG系列单相干式变压器使用环境
海拔高度:≤1000m
适应环境温度:-10~+45℃
适应相对温度:26℃时,≤95%
使用环境:户内(户外使用时,请提供防护等级)
DG系列单相干式变压器参数
额定容量:1kVA~100kVA
额定电压:660V、440V、380V、220V、127V、110V、36V、24V、12V
额定频率:50HZ、60HZ
防护等级:IP00、IP20
绝缘等级:B级、F级、H级